Product Summary
The TMS320F2808PZA is a Digital Signal Processor. Throughout the following information. The TMS320F2808PZA is abbreviated as F2808. Texas Instruments (TI) offers an extensive line of development tools for the C28x generation of DSPs, including tools to evaluate the performance of the processors, generate code, develop algorithm Implementations, and fully integrate and debug software and hardware modules.
Parametrics
TMS320F2808PZA absolute maximum ratings: (1)supply voltage range, VDDIO, VDD3VFL:-0.3V to 4.6V;(2)supply voltage range, VDDA2, VDDAIO:-0.3V to 4.6V;(3)supply voltage range, VDD:-0.3V to 2.5V;(4)supply voltage range, VDD1A18, VDD2A18:-0.3V to 2.5V;(5)input voltage range:-0.3V to 4.6V;(6)output voltage range:-0.3V to 4.6V;(7)input clamp current, IIK:±20mA;(8)output clamp current, IOK:±20mA;(9)junction temperature range:-40℃ to 150℃;(10)storage temperature range:-65℃ to 150℃.
Features
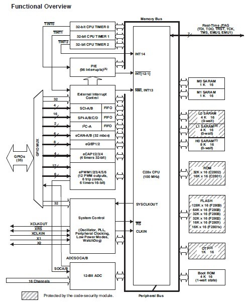
TMS320F2808PZA features: (1)high-performance static CMOS technology:100 MHz (10-ns cycle time) and low-power (1.8-V core, 3.3-V I/O) design and 3.3-V flash voltage;(2)JTAG boundary scan support;(3)high-performance 32-bit CPU:16 x 16 and 32 x 32 MAC operations and atomic operations, fast interrupt response and processing, unified memory programming model;(4)any GPIO A pin can be connected to one of the three external core interrupts;(5)peripheral interrupt expansion (PIE) block that supports all 43 peripheral interrupts.
Diagrams

| Image | Part No | Mfg | Description | ![]() |
Pricing (USD) |
Quantity | ||||||||||||
|---|---|---|---|---|---|---|---|---|---|---|---|---|---|---|---|---|---|---|
![]() |
![]() TMS320F2808PZA |
![]() Texas Instruments |
![]() Digital Signal Processors & Controllers (DSP, DSC) 32-Bit Digital Sig Controller w/Flash |
![]() Data Sheet |
![]()
|
|
||||||||||||
| Image | Part No | Mfg | Description | ![]() |
Pricing (USD) |
Quantity | ||||||||||||
![]() |
![]() TMS3112 |
![]() Other |
![]() |
![]() Data Sheet |
![]() Negotiable |
|
||||||||||||
![]() |
![]() TMS3121 |
![]() Other |
![]() |
![]() Data Sheet |
![]() Negotiable |
|
||||||||||||
![]() |
![]() TMS320 |
![]() Other |
![]() |
![]() Data Sheet |
![]() Negotiable |
|
||||||||||||
![]() |
![]() TMS32010 |
![]() Other |
![]() |
![]() Data Sheet |
![]() Negotiable |
|
||||||||||||
![]() |
![]() TMS320AV7110 |
![]() Other |
![]() |
![]() Data Sheet |
![]() Negotiable |
|
||||||||||||
![]() |
![]() TMS320BC51PQ100 |
![]() Texas Instruments |
![]() Digital Signal Processors & Controllers (DSP, DSC) TMS320C51PQ - 132QFP - 100MHZ/BOOT CODE |
![]() Data Sheet |
![]() Negotiable |
|
||||||||||||
(China (Mainland))










